이 글을 보기 전에 반가산기와 전가산기 글을 한번 보고 오는 것을 추천한다.
반감산기
[반감산기 진리표]
| 입력 | 출력 | |||
| X | Y | B(borrow, 빌림 수) | D(difference, 차이) | |
| 0 | 0 | 0 | 0 | |
| 0 | 1 | 1 | 1 | |
| 1 | 0 | 0 | 1 | |
| 1 | 1 | 0 | 0 | |
이번에는 말 그대로 빼는 것이다. X-Y를 생각할 때,
- 1-0은 차이가 1이고 빌림 수는 0이다.
- 0-1은 차이가 1이고 빌림 수도 1이다.
이것을 생각하면 진리표를 위와 같이 적을 수 있다.
[반감산기 회로도]

D = X⊕Y
B = X'·Y
회로도는 반가산기에 작게 NOT게이트가 있다. X=0, Y =1일 때만 B=1이 되게 만든 구조라 생각하면 쉽다.
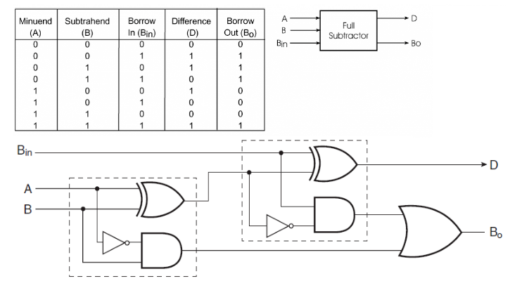
전감산기
[전감산기 진리표]
| CASE | 입력 | 출력 | |||
| 1 | X | Y | B0 | B | D |
| 2 | 0 | 0 | 0 | 0 | 0 |
| 3 | 0 | 0 | 1 | 1 | 1 |
| 4 | 0 | 1 | 0 | 1 | 1 |
| 5 | 0 | 1 | 1 | 1 | 0 |
| 6 | 1 | 0 | 0 | 0 | 1 |
| 7 | 1 | 0 | 1 | 0 | 0 |
| 8 | 1 | 1 | 0 | 0 | 0 |
| 9 | 1 | 1 | 1 | 1 | 1 |
대략 B0(상위비트 빌림 수)을 고려하여 X에서 Y를 빼는 것이라 생각하면 편하다.
출력 변수 차(D)는 3개의 입력 중 1이 홀수 개일 때 1
자리 빌림 수(B)는 3개의 입력 중 X<Y+B0일 때 1이 된다.
[전감산기 회로도]

D = X⊕Y⊕B0
B = B0·(X⊕Y)' + (X·Y')
반가산기, 전가산기 형태와 마찬가지로, [전가산기 = 반가산기 2개 + OR게이트]이다. 회로도만 그리면 진리표는 당연하게 나오므로, 회로도를 그리는 연습을 하는 것이 좋다!
'자격증 > 전자계산기조직응용기사' 카테고리의 다른 글
| [Summary] ECK (0) | 2021.04.15 |
|---|---|
| [전자계산기조직응용기사] 필수! 마이크로 연산 (0) | 2021.04.07 |
| [전자계산기조직응용기사] 필수! 반가산기와 전가산기 (0) | 2021.04.02 |
| [전자계산기조직응용기사 실기] 필수! 그레이코드와 2진코드 (0) | 2021.04.01 |
| [전자계산기조직응용기사 실기] 필수 주관식 정리 - 1 (0) | 2021.03.31 |